
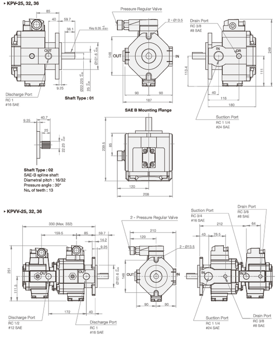
250 Bar Variable Displacement Vane Pump KPV-25
by Valvenok
Available On Request
Original price
£0.00
-
Original price
£0.00
Original price
£0.00
£0.00
-
£0.00
Current price
£0.00